产品分类
products
联系粉色视频黄色网站 / contact us
地址:上海市金山区枫泾镇环东一路
邮编:201507
网址:www.aqcsgz.com
销售部
手机:13353397666
电话:021-5648 6189
传真:021-5186 1633
商务QQ:3038069780
QBY型气动隔膜泵
当前位置:首页 > QBY型气动隔膜泵QBY型气动隔膜泵
以下为系列产品选型范围,具体型号参考性能参数表
口径范围 : 10-100(mm)
流量范围 : 0-30(m3/h)
扬程范围 : 0-40(m)
优势:
品牌知名度高、质量可靠、终身维护
常规产品现货供应
订做产品交货及时
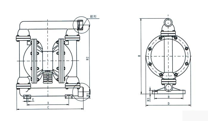
隔膜泵产品概述
本单位生产的QBY系列气动隔膜泵是一种新型输送机械,采用压缩空气为动力源,对于各种腐蚀性液体,带颗粒的液体,高粘度、易挥发、易燃、剧毒的液体,均能予以抽光吸尽。其性能参数与联邦德国的WLLDENPVMPS、美国的MARlOWPUMPS相近。
隔膜泵技术参数
流量:0-30m3/h;
扬程:0-40m;
口径:10-100mm;
温度:-15-+120℃;
压力:0.1-0.7MPa;
自吸高度:5m。
型号定义 
使用注意事项
1.本泵振动极其轻微,一般情况可不装底脚螺栓。
2.如压缩空气有脏物进入,将会影响泵的正常启动,建议用户加装气动三联件。
3.在抽吸易冻结的介质时,应在泵的进口处装阀门,当停止用泵时,先将该阀关闭,然后再开泵数分钟,将泵体介质排净为止以免造成下次开泵困难。
更换隔膜时,须将泵内腕连杆,铅套清洗干净,并不要损坏白色四氟密封圈,按原样装好,即可使用。













